

Submersible Effluent Pump, 1/2hp, 4.7A
Web Price
$547.49
/ each
Product Details
CSA C22.2 108, UL 778
No
4.7
4.70
Cast Iron
Ball
10 1/8 in
Cast Iron
15 ft
15 ft.
United States
10-1/8
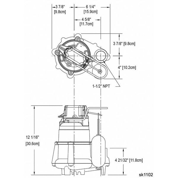
1 1/2 in FNPT
1 1/2 in
Female
1-1/2
NPT
Intermittent
Intermittent
61 gpm
45 gpm
25 gpm
61
45
25
72
yes
12
Cast iron
1/2
60 Hz
Thermoplastic
Polypropylene
1
Submersible Effluent Pump
10-1/8
3 yr
1/2
1/2 in
23 ft
23 ft.
130 Degrees F
18 in
18 in
1550
PSC
12 in
1
1
1
Cast Iron
1/2
1750
230V AC
1,550 RPM
Carbon/Ceramic
Carbon, Ceramic
No Switch Included
No Switch Included
None
No Switch Included
Thermal Protection
Cast Iron
230V
240VAC
7-7/8
7 7/8 in
Viewed together

$799.99 / each
Web price

$1,797.11 / each
Web price

$688.74 / each
Web price