


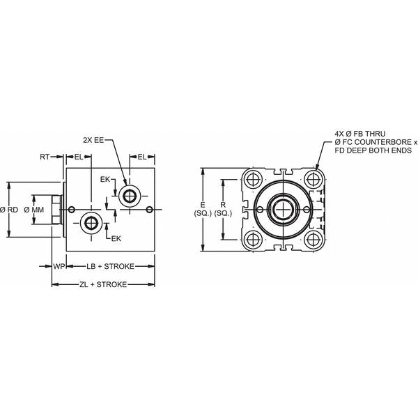
Hydraulic Cylinder, 40mm Bore, 80mm Stroke
Web Price
$846.24
/ each
Product Details
Aluminum
40 mm
40
United States
20
8
19
70
#4
12
21
9
14
8.6
5/8-18
55
22
21
52
43
3
13
68
228 mm
2,030 psi
2030
3,956.7 lb
165
1
Aluminum
#4 SAE
#4
148
148 mm
22 mm
22
5/8-18
5/8-18
Double Acting
80
80 mm
Double Acting
Viewed together

$1,736.24 / each
Web price