

Brake, Magnetic, Dust Proof, Torque 6 Ft-Lb
Web Price
$1,279.99
/ each
Product Details
CSA
40 Degrees C
0.22/0.11
Crane Trolleys and High Speed Doors, Stops and Holds Rotating Loads on Conveyors
Horizontal
Double C-Face Magnetic Disc Brake
174-190/380V AC @ 50 Hz, 208-230/460V AC @ 60 Hz
208-230/460V AC Or 174-190/380V AC
Yes
Converts NEMA C-Face Motors and Gear Reducers to a Geared Brake Motor
United States
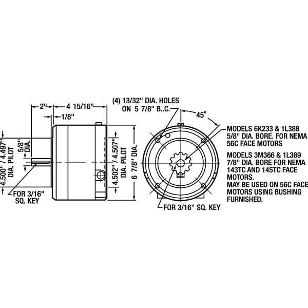
6 7/8 in
Continuous
Waterproof/Dust-Tight
Totally Enclosed
Easily Installed
Gray Enamel Paint
Single and Three Phase General Purpose C-Face Motors for Indoor/Outdoor Applications
50 Hz, 60 Hz
Spring Set Brake With Automatic Reset Release
0.22/0.11 A
2 hp @ 1725 RPM, 3 hp @ 3450 RPM
Gray Enamel Paint
60/50
Hardware
1.74/0.87
1.74/0.87 A
4.875 in
Manual
Manual Release
2 hp
3 hp
3,450 RPM
40 Degrees C
3,450 RPM
Horizontal
NEMA C-Face Flanges On Motors And Gear Reducers
56C/140TC
208-230/460V AC
6.88 in
4.88 in
1
Single
15
60 Series
1
5/8 in
5/8 in
CSA Certified
6 ft-lb
6
Double C-Face Magnetic Disc
174 a 190/380
208 a 230/460
Viewed together

$22.36 / each
Web price

$26.24 / each
Web price

$27.11 / each
Web price

$41.49 / each
Web price

$40.86 / each
Web price