


AC Gearmotor, 941.0 in-lb Max. Torque, 29 RPM Nameplate RPM, 230V AC Voltage, 3 Phase
Web Price
$1,294.99
/ each
Product Details
Class 9
Inverter Duty
None
United States
TEFC
50 Hz, 60 Hz
1.6
1.6 A
Die Cast Aluminum
Hardened Steel
59:1
Helical (1st Stage), Spur (Subsequent Stages)
None
Totally Enclosed Fan-Cooled
All Angle
3
CW/CCW
Parallel
Single
AC Gearmotor
230V AC
1st Stage Helical, AGMA Class 9, Hardened Steel, Subsequent Stages Spur
Die Cast Aluminum
Die Cast Aluminum
60/50 Hz
0.5 hp
1/2 hp
Yes
59.05:1
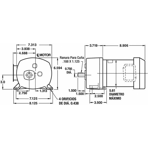
1/8 in
3/16 in
13.88 in
Lifetime Oil Sealed
40 Degrees C
941 in-lb
104 Degrees F
941 in-lb
Totally Enclosed Fan-Cooled
3-Phase
2.5 in
7.13 in
Any Position
All Position
Any Angle
29 RPM
29 RPM
1
230V AC
3/4 in
3 in
1 1/2 in
6.63 in
8.25 in
600 lb
600 ft-lb
1
Three
CW/CCW
16 to 30
Lip Type on Input and Output Shaft
Lip Type on Input and Output Shaft
3/4 in
1.5
Parallel
CSA Certified, UL Recognized
Thermostat
230
Viewed together

$22.36 / each
Web price

$26.24 / each
Web price

$27.11 / each
Web price

$41.49 / each
Web price

$40.86 / each
Web price