


AC Gearmotor, 350.0 in-lb Max. Torque, 14 RPM Nameplate RPM, 115V AC Voltage, 1 Phase
Web Price
$979.99
/ each
Product Details
Class 9
Ball on Motor, Heavy Duty Needle Roller and Thrust Balls on Case
Ball on Motor, Heavy Duty Needle Roller and Thrust Balls on Case
Adaptable to 5X400
None
United States
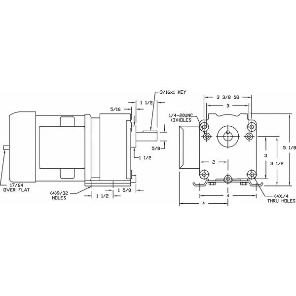
8.5 in
TEFC
60 Hz
1.75
1.75 A
Die Cast Aluminum
Hardened Steel
217:1
Helical (1st Stage), Spur (Subsequent Stages)
None
Totally Enclosed Fan-Cooled
All Angle
1
CW/CCW
Parallel
Single
AC Gearmotor
115V AC
1st Stage Helical, AGMA Class 9, Hardened Steel, Subsequent Stages Spur
Die Cast Aluminum
Die Cast Aluminum
60 Hz
0.083 hp
1/12 hp
Yes
127.4:1
1/16 in
Rounded
3/16 mm
9.38 in
Permanent Heavy Duty Gear Oil
40 Degrees C
350 in-lb
104 Degrees F
350 in-lb
Totally Enclosed Fan-Cooled
Split-Phase
1.5 in
4 in
Any Position
All Position
Any Angle
14 RPM
14 RPM
1
1
115V AC
5/8 in
3.5 in
1 1/2 in
5.13 in
6 in
175 lb
175 ft-lb
1
Single
CW/CCW
0 to 15
Lip Type on Input and Output Shaft
Lip Type on Input and Output Shaft
5/8 in
1.5
Parallel
C-UL Recognized, UL Recognized
None
115
Viewed together

$22.36 / each
Web price

$26.24 / each
Web price

$27.11 / each
Web price

$41.49 / each
Web price

$40.86 / each
Web price